I tweaked my previous XCVR design to use push button tuning and made the board layout extremely compact. I improved the side tone injection to be absolutely perfect – not too loud, full break in and no clicks. I went ahead and integrated my switch cap 8 pole CW filter. The schematic is fairly simple with 65 parts or so.. and the whole design fits into a 3D printed enclosure the size of an business card. The only penalty in the design is signal on both side of zero beat(direct conversion). There is no AM leakage though and the filter rolloff is very good. The circuit is easy to build as it required no adjustment, or alignment, but uses some fine pitch surface mount parts requiring a very precise soldering station. When I got my boards in I literally just built it – applied power and starting using it. In this one I used a ferrite toroid for the Sorta-Balun, but I have used scrap bobbins from HF power inductor for this with great success . The push button tuning works well, it has freq (up/down) buttons which shift through at 10 Hz increments for 5 sec then goes to 1 Khz. It can run on a 10 to 24 volts supply. The 8 pole audio filter is adjustable to taste, by changing one capacitor(C27), and the side tone injection level with one resistor(R12). The choice of band only requires a firmware change and 3 inductors and three capacitors – which make up the RF matching filter. Its really a unique little transceiver. Its very small, reliable and has excellent performance. The TX frequency is offset 700Hz above receive frequency, but this could be made adjustable if desired(using the push buttons and the Key) – I just haven’t done it yet.
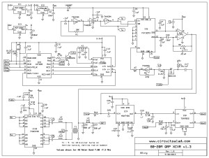
Schematic
The built XCVR
I am going to provide a link to all the design files in the next few days including the 3D print files for the enclosure. I am also going to sell a couple units at cost(get rid my extra boards!) as partial kits( I will put most of the surface mount components on) and provide the switches and connectors that fit the enclosure (which I will also include). Will probably be around $70 for everything for a complete unit(except wire).
Link to design files:



