link to the design:
https://circuitsalad.com/2014/05/06/a-simple-ldr-envelope-filter-that-is-just-delightful-to-use/
I realized my original code was delaying the PWM loop some because it was waiting on a ADC read before finishing the loop. In the code below, the ADC read is started and read the next time around. Then the next time is started again, this eliminates the delay of waiting on the ADC.
#define ADCStart ADCON0.b1 = 1 //set this bit to begin ADC conversion
//////////////////////////////////////////////////////////////////////////////
const unsigned char sine[256] =
{// sine wave 8 bit resolution scaled to 90% max val
131,132,135,137,140,143,146,149,152,155,157,160,163,166,168,171,
174,176,179,181,184,186,189,191,194,196,198,200,202,205,207,209,
211,212,214,216,218,219,221,223,224,226,227,228,229,231,232,233,
234,234,235,236,237,237,238,238,239,239,239,239,240,240,240,239,
239,239,239,238,238,237,237,236,236,235,234,233,232,231,230,229,
227,226,225,223,222,220,219,217,216,214,212,210,208,206,204,202,
200,198,196,194,192,189,187,185,182,180,177,175,173,170,167,165,
162,160,157,154,152,149,146,144,141,138,135,133,130,127,124,122,
119,116,113,111,108,105,103,100, 97, 95, 92, 89, 87, 84, 82, 79,
77, 74, 72, 69, 67, 64, 62, 60, 58, 55, 53, 51, 49, 47, 45, 43,
41, 39, 37, 36, 34, 32, 31, 29, 28, 26, 25, 24, 22, 21, 20, 19,
18, 17, 16, 15, 15, 14, 13, 13, 12, 12, 12, 11, 11, 11, 11, 11,
11, 11, 11, 12, 12, 12, 13, 14, 14, 15, 16, 16, 17, 18, 19, 21,
22, 23, 24, 26, 27, 29, 30, 32, 33, 35, 37, 39, 41, 43, 45, 47,
49, 51, 53, 56, 58, 60, 63, 65, 68, 70, 73, 75, 78, 81, 83, 86,
89, 92, 94, 97, 100,103,106,108,111,114,117,120,123,126,129,130};
////////////////////////////////Global variable here//////////////////////////////////////////////
long PhaseAccum;//phase accumilator generates the cycle rate for lookup table
//loading therby changing frequency. The MSbyte is used to provide the byte address
//of the look up table value to be used.
long PhaseShift;//value added to PhaseAccum every PWM cycle. This makes the waveform
//lookup faster or slower – which changes frequency.
////////////////////////////////////////////////////////////////////////////////////////////
////////////////////////////////PIC Config routine here////////////////////////////////////
void Init_Main(){
//PIC12F1822 specific config
OPTION_REG = 0b10000000; // disable internal pull ups
OSCCON = 0b11110000; //8MHz clk //32Mhz pll
TRISA = 0b00011000; // configure IO/a2d(gpio0) and mclr set as inputs
T2CON = 0b00000100;// TMR2 ON, postscale 1:1, prescale 1:1
PR2 = (0x50);// sets PWM rate to approx 98.5KHz with 32Mhz internal oscillator
CCP1CON = 0b00001111;// CCP1 ON, and set to simple PWM mode
PhaseShift = 0x00FFFFFF;//frequency values loaded into
ANSELA = 0b00010000; //select RA4 as A2D input 32Mhz clk
ADCON0 = 0b00001101; // configure ADC
ADCON1 = 0b00100000; // configure ADC
}
////////////////////////////main program loop here/////////////////////////////////
void main() {
Init_Main();//configue part
while(1){ //alway do this
while(!PIR1.TMR2IF);// wait for TMR2 cycle to restart
CCPR1L = (sine[((char *)&PhaseAccum)[3]]) >> 2;// load MSbits 7-2 duty cycle value into CCPRIL
CCP1CON ^=((sine[((char *)&PhaseAccum)[3]]) & 0x03) << 4;// load in bits 1-0 into 5 and 4 of CCP1CON
//////duty cycle value byte is now loaded for next cycle comming//////
if(PIR1.ADIF == 0)ADCStart; //start ADC here to get value into PhaseShift to change Freq
//will have to go around the loop one time before ready flag is high
if(PIR1.ADIF){ //if ADC read complete load values and clear flag
((char *)&PhaseShift)[1] = ADRESL; //load ADRESL into PhaseShift
((char *)&PhaseShift)[2] = ADRESH; //load ADRESH into PhaseShift
PIR1.ADIF = 0;//clear flag so next time ADC can run
}
PhaseAccum = PhaseAccum + ((PhaseShift << 5) + 1); //move PhaseAccum through waveform values
//”<<5″ can be more or less and sets the frequency sweep range
// the +1 is just so there is never 0;
porta.b0 = ((char *)&PhaseAccum)[3].b7;
PIR1.TMR2IF = 0; // clear TMR2 int flag
}
}
I needed a sine wave generator and I didn’t want a whole lot of parts……. so I thought I would try making a Direct Digital Synthesizer out of a cheapo 8 pin micro controller.
I chose a 12F1822 PIC, but any micro with a PWM generator and an ADC will work.
A number of AVR and Microchip products are available. The 12f683 or the ATTINY85 are other devices that meet the basic requirement. If using an AVR the code will have to changed but you can get the basic idea from the PIC implementation. If you use another PIC, the code may need some minor tweaks , such as the pin assignments and/or the config register settings.
I settled on the 12f1822 for the following reasons: its cheap, its small, my C compiler supports it, it has an internal clk that runs up to 32MHz – which allows for 8 bit PWM at greater than 100kHz, which makes filtering the output trivial. Also it is very power efficient.
The way DDS works is by cycling through a look up table of values representing a sine wave(or any other wave form you choose… a triangle for example). These values range from 0-255 (8bit) and there are 256 values in the table. Each value is loaded into a PWM generator in succession which varies the duty cycle of a roughly 100KHz PWM signal. The faster you cycle through the values, the higher the frequency is generated.
I don’t want to explain all the details of how DDS works- so go here to learn more about DDS:
Here are the basics of my design:
I use the 10 bit ADC input to read a voltage of a POT and convert this to a number from 0 -1024. I use the PWM generator as a DAC to reproduce the sampled analog wave form. Then there is a simple filter to remove the high frequency artifacts caused by the 100Khz PWM signal. Every cycle of the PWM generator’s overflow flag – I add the value of the ADC to a 32 bit register which acts as a phase accumulator. The most significant byte of the phase accumulator is loaded as the address for the look up table value and as this value increments every cycle, a new value is loaded. If a smaller value is loaded into the phase accumulator, the frequency is lower. With a larger number loaded every cycle the frequency increases. The frequency resolution is given by 1/ (PWM period/2^32). This gives resolution less than a milli Hertz! The ADC value can be scaled as needed to get you in the frequency range of interest.
A note about my lookup table. The PWM generator will create distortion if the look up table values are not naturalized. This is because as the look up values are going up and down they should shift from when the off time occurs(either before the on time or after). So if you just generate the sine values they will work but not as well as they could. The solution is to naturalize the look up values. Which is to say shift them slightly. This process and how I did it is discussed here:
http://www.romanblack.com/onesec/Sine1kHz.htm
Also I scaled my sinewave to 90% of max and shifted it up 5%. This makes it so that the PWM has no values to close to the extreme edges of its range. Also the output is from 1-4 volts instead of going all the way down to 0 volts. This way a single supply active filter can be employed.
Originally, I used a 12f683 PIC running at 8Mhz but could only support 20KHz PWM at 8bit resolution. The circuit worked but made it harder to filter the output and limited the frequency range to about 1Khz. the part I used the 12f1822 has an internal clk that works up to 32 MHz. This allows a much faster PWM rate. Now I can get anywhere from .00005Hz to 5Khz output with a simple filter.
You can use an external crystal and get a more accurate and stable output, but the internal oscillator works pretty well. The harmonics are all 40db or more down from the fundamental.
Video demo:
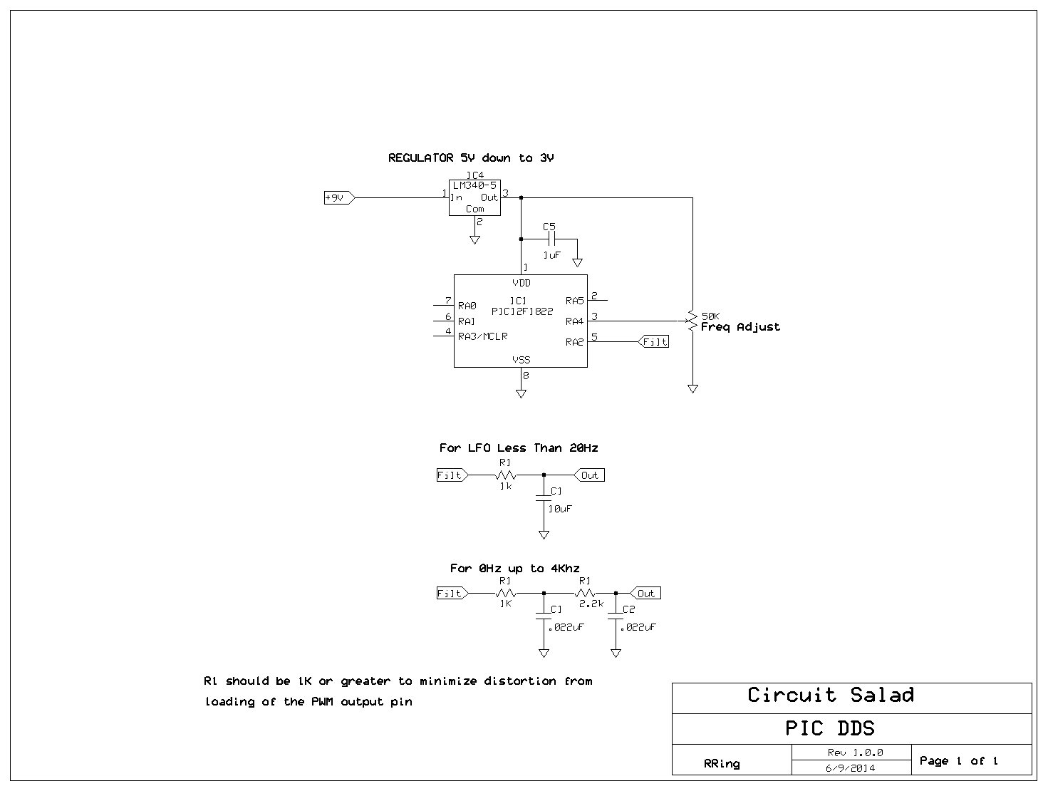
Schematic:
C CODE: (compiled with MikroC ) will compile on freeware version with room to spare
Note!!!!! There is new code and is available here: https://circuitsalad.com/2014/06/13/slightly-improved-code-for-pic-dds/
#define ADCStart ADCON0.b1 = 1 //set this bit to begin ADC conversion
//////////////////////////////////////////////////////////////////////////////
const unsigned char sine[256] =
{// sine wave 8 bit resolution scaled to 90% max val
131,132,135,137,140,143,146,149,152,155,157,160,163,166,168,171,
174,176,179,181,184,186,189,191,194,196,198,200,202,205,207,209,
211,212,214,216,218,219,221,223,224,226,227,228,229,231,232,233,
234,234,235,236,237,237,238,238,239,239,239,239,240,240,240,239,
239,239,239,238,238,237,237,236,236,235,234,233,232,231,230,229,
227,226,225,223,222,220,219,217,216,214,212,210,208,206,204,202,
200,198,196,194,192,189,187,185,182,180,177,175,173,170,167,165,
162,160,157,154,152,149,146,144,141,138,135,133,130,127,124,122,
119,116,113,111,108,105,103,100, 97, 95, 92, 89, 87, 84, 82, 79,
77, 74, 72, 69, 67, 64, 62, 60, 58, 55, 53, 51, 49, 47, 45, 43,
41, 39, 37, 36, 34, 32, 31, 29, 28, 26, 25, 24, 22, 21, 20, 19,
18, 17, 16, 15, 15, 14, 13, 13, 12, 12, 12, 11, 11, 11, 11, 11,
11, 11, 11, 12, 12, 12, 13, 14, 14, 15, 16, 16, 17, 18, 19, 21,
22, 23, 24, 26, 27, 29, 30, 32, 33, 35, 37, 39, 41, 43, 45, 47,
49, 51, 53, 56, 58, 60, 63, 65, 68, 70, 73, 75, 78, 81, 83, 86,
89, 92, 94, 97, 100,103,106,108,111,114,117,120,123,126,129,130};
////////////////////////////////Global variable here//////////////////////////////////////////////
long PhaseAccum;//phase accumilator generates the cycle rate for lookup table
//loading therby changing frequency. The MSbyte is used to provide the byte address
//of the look up table value to be used.
long PhaseShift;//value added to PhaseAccum every PWM cycle. This makes the waveform
//lookup faster or slower – which changes frequency.
////////////////////////////////////////////////////////////////////////////////////////////
void ADCRead(){
ADCStart; //start ADC conversion
while(ADCON0.b1); //wait till done
((char *)&PhaseShift)[1] = ADRESL; //load ADRESL into PhaseShift
((char *)&PhaseShift)[2] = ADRESH; //load ADRESH into PhaseShift
}
////////////////////////////////PIC Config routine here////////////////////////////////////
void Init_Main(){
//PIC12F1822 specific config
OPTION_REG = 0b10000000; // disable internal pull ups
OSCCON = 0b11110000; //8MHz clk //32Mhz pll
TRISA = 0b00011000; // configure IO/a2d(gpio0) and mclr set as inputs
T2CON = 0b00000100;// TMR2 ON, postscale 1:1, prescale 1:1
PR2 = (0x50);// sets PWM rate to approx 98.5KHz with 32Mhz internal oscillator
CCP1CON = 0b00001111;// CCP1 ON, and set to simple PWM mode
PhaseShift = 0x00000000;//frequency values loaded into
ANSELA = 0b00010000; //select RA4 as A2D input 32Mhz clk
ADCON0 = 0b00001101; // configure ADC
ADCON1 = 0b00100000; // configure ADC
}
////////////////////////////main program loop here/////////////////////////////////
void main() {
Init_Main();//configure part
while(1){ //alway do this
while(!PIR1.TMR2IF);// wait for TMR2 cycle to restart
CCPR1L = (sine[((char *)&PhaseAccum)[3]]) >> 2;// load MSbits 7-2 duty cycle value into CCPRIL
CCP1CON ^=((sine[((char *)&PhaseAccum)[3]]) & 0x03) << 4;// load in bits 1-0 into 5 and 4 of CCP1CON
//////duty cycle value byte is now loaded for next cycle comming//////
ADCRead(); //read ADC here to get value into PhaseShift to change Freq
PhaseAccum = PhaseAccum + ((PhaseShift << 5) + 1); //move PhaseAccum through waveform values
//”<<5″ can be more or less and sets the frequency sweep range
// the +1 is just so there is never 0;
PIR1.TMR2IF = 0; // clear TMR2 int flag
}
}
The Tube Screamer is a classic all around great sounding distortion, even though the stock circuit is not very complex, by eliminating the JFET bypass switching and utilizing true bypass you eliminate quite a few parts. Even more, you can eliminate the input and output follower stages a number of coupling caps and bias resistors. With just one op amp and less than 25 parts, you can make a tube screamer that sounds just great. In my implementation, I changed some values in the filter section to suit my taste and on the first stage I used BAT46 shottky diodes. These diodes have substantial reverse leakage- so you have to lower the impedance of the feedback pot and resistor that controls the the drive gain. That is why I used a 50k pot and 100 ohm resistor. I used the shottky because they start to clip much sooner and you can get a really insane amount of overdrive. Regular silicon diodes work just fine. The original stock values can be used and can be found on the web.
Schematic:
Demo (coming soon)
I designed a low pass type envelope filter using a Fliege filter topology . The result was a really easy to build filter that provides1st order low pass ..all the way up to 2nd order low pass with extreme bandpass peaked low pass(high Q, resonance…etc). I really like this pedal.
Demo Sound Clips:
Short attack, max intensity:
Mid Attack, low intensity:
Long attack, high intensity:
This filter topology has some nice features, such as:
Fixed stable gain of two in the pass band, regardless of Q
Highly adjustable Q
Uses only two op amps
Low parts count in general
Well suited for single supply operation( in my case I just direct coupled the input to a half supply biased input stage)
It also has a couple of drawbacks:
It requires three LDR’s unlike the Mutron for example which only uses two
I could not get a TL072 to work well in the circuit. I needed to use a higher bandwidth, rail to rail type op amp, but there are plenty of amps that work well.
The OP Amps I tried were the OP213(works fine but expensive), OPA1652, and the TS922. These are all low noise, high bandwidth devices. The TL072 broke into oscillation and distorted. Maybe someone else can get it to work? I don’t have time to figure out the problem but I assume there is some sort of undesired phase shift making an oscillator out of the thing.
The LDRs can be commercial units but I just built some from scratch – they were easy and cheap to make. I used flat faced green LED’s and small CDS photo-resistors. I super-glued them together and then just cover with heat shrink to make them light tight. It took me about ten minutes.

LED glued to photocell:
Final device:
The parts I used are: LED digikey part # VAOL-5701DE4-ND and photocell digikey part # PDV-P9008-ND
Circuit description:
Pretty simple – A emitter follower buffers the input and provides 1/2 supply bias for the the filter op amps. The Filter uses two LDRs for the filter sweep and one more for the intensity or Q of the filter. When LDR3 is .707 the vaulue of the other LDR’s (1 and 2), you get an ideal 2nd order low pass characteristic. When LDR3 is higher you get bandpass peaking and this can be quite extreme. As the filter sweeps, the ratio between the LDRs must be the same, that is why you need the third one and not just a variable resistor.
The LDRs are driven by a current mode amplifier and a simple diode peak detector. I used a LM358 for this but the the OP213, OPA1652 and the TS922 used in the filter section will also work. The design provides a sensitivity control, intensity(resonance) control and an attack control. The attack control really makes it easy to dial in the sweet spot of the filter and get very snappy or very slow plodding whah whah effects.
Circuit Schematic:
Populated surface mount circuit board:
Link to silkscreen:
Click to access minimussilkscreen.pdf
Link to Top layer surface mount layout:
I had to cook up a quick circuit to allow a momentary switch to turn the power on and off for a circuit but draw no current when off. I came up with this. I am sure someone else has done something similar before, but it was fun figuring it out for myself.
It uses two transistors or a transistor and a PMOS FET. It can be tailored to work with a large range of voltages… and very low voltages when using the NPN/PNP version. The values shown work well from about 5 volts up to 12 volts. If the voltage is higher than that, some of the resistors (R1 and R5) should be increased so that the on current used by the circuit is not excessive.
I noticed when you have highly reactive inductive or capacitive loads the circuit can fail to turn off. You can use either an isolated switching element or a blocking diode to solve this.
It works because in the initial state the PMOS is turned off and C1/R4 is charged up enough to turn on the NPN. When the switch is pressed, the charge on C1 biases on the NPN, which then turns on the PMOS. Once the PMOS is on, R3 biases on the NPN, latching the “on state” for the circuit. However now the collector of Q2 is a path to ground and C1 discharges to ground through R2(R4 also). Now, if the switch is pressed the NPN gets turned off long enough to shut the whole thing off again.
You can adjust the resistor values and the C1 value to adjust the response time, quiescent “on” current, etc. I advise building it as shown, using a 9V battery and a LED as a load, to get a feel for how it works before changing the values too much. The values are interrelated… so you can’t make extreme changes to one component value without adjusting others.
