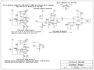
This design uses junk box 2N2222A or 2n3904 transistors. Its easy to build and offers excellent performance. Here is a preliminary schematic. It works well but I am still tweaking it. Look for revisions to follow.
A few quick notes:
It only uses bipolar transistors, and the antenna signal can be injected such that it is isolated from the tank or directly to the tank through a small cap. The circuit can use a series resonant Clapp type topology or parallel tank. The clapp version reduces the effect of parasitics and provides very stable tuning. It also works really well with varactor tuning as the voltage swing across the varactor is low. The series tank requires larger inductors for a given frequency then a traditional parallel tank. I am using 20uH(two crappy tiny molded inductors) and a 300pf variable to get in the 5-8Mhz range. You don’t need any tapped coils or tickler…etc – just about any inductor should work.
The parallel tank version gives more tuning range for a given tank circuit. It may be a better topology..its hard to tell. You get more tuning range for small tuning caps and the the inductor will be smaller. You also eliminate the collector resistor which surely adds phase noise to the clapp version, when oscillating.
Depending on the tank coil you use and/or if you use a different supply voltage, you may need or want to adjust some of the resistor values. These are noted on the schematic. On the bright side, I have use wide range of values for most of these components and the circuit has still worked. It’s all about maximizing gain while still maintaining smooth regeneration.
The darlington detector is a bipolar version of a “plate detector” where the the darlington is biased just at cusp of being turned on. It acts like a halfwave detector but with high Z and significant gain. You could use a FET but I thought it would be fun to only use junk-box type transistors. I am using 100k and 47k biasing resistors for the detector. The ratio is what matters so 1meg and 470k will work fine also.
In the schematic, I show the detector connected to L1 and C4 which make up the tank circuit for tuning. I also show a Q multiplier circuit separately which connects via the “QOut” signal to the tank circuit also. Its just another way to conceptualize a regenerative radio.
The transition from oscillation is very smooth. Sensitivity is excellent. The circuit is simple.
Schematic Diagram(modified TDA7052at circuit 07/01/2015)
Video demo showing smooth regeneration transition on a scope

